DV Power RMO30TW Winding Ohmmeter

1 / 3 görsel
Sepete ekleyerek toplu teklif isteyebilirsiniz
Açıklama
The Winding Ohmmeter RMO30TW is a portable and lightweight instrument (8,5 kg / 18.7 lbs) designed for the winding resistance measurement of inductive test objects and for on-load tap changer verification. The RMO30TW instrument generates a true DC ripple-free current with automatically regulated measurement and discharging circuit. The injection of current and discharge of energy from the test object are both automatically regulated. The three independent channels enable testing of three windings in series. This instrument enables measurements of a winding resistance in every tap position of an on-load tap changer without discharging between the tests. Problems with switching of the OLTC, such as interruption, can be detected with these measurements.
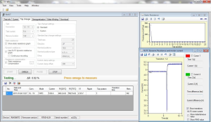
DV-Win software
The DV-Win software enables control and observation of the test process, as well as saving and analyzing the results on a PC. It provides a test report, arranged in a selectable form as an Excel spreadsheet, PDF, Word, or ASCII format. The software provides an OLTC (tap changer) condition assessment through analysis of the graphs representing dynamic resistance values during the tap changer transitions.
Additionally, the DV-Win measures and calculates the OLTC transition time, the ripple and the winding resistance for each tap changing operation.
The software can also perform the calculations necessary for the “Heat Run” test. All results can be exported in the report format.
The standard interface is USB. RS232 is optional.
The DV-Win software enables control and observation of the test process, as well as saving and analyzing the results on a PC. It provides a test report, arranged in a selectable form as an Excel spreadsheet, PDF, Word, or ASCII format. The software provides an OLTC (tap changer) condition assessment through analysis of the graphs representing dynamic resistance values during the tap changer transitions.
Additionally, the DV-Win measures and calculates the OLTC transition time, the ripple and the winding resistance for each tap changing operation.
The software can also perform the calculations necessary for the “Heat Run” test. All results can be exported in the report format.
The standard interface is USB. RS232 is optional.


